Advertisement

Tps51125 - Шим контроллер TPS51125 купить Екатеринбург / Find parameters, ordering and quality information.

Tps51125 - Шим контроллер TPS51125 купить Екатеринбург / Find parameters, ordering and quality information.. •1 wide input voltage range: Ti, alldatasheet, datasheet, datasheet search site for electronic components. Find parameters, ordering and quality information. Product folder sample & buy technical documents tools & software support & community tps51125 s. Buck controller targeted for notebook system power.

Buck controller targeted for notebook system power. Ti, alldatasheet, datasheet, datasheet search site for electronic components. •1 wide input voltage range: Product folder sample & buy technical documents tools & software support & community tps51125 s. Tps51125 даташит, tps51125 pdf, tps51125 даташитов, даташиты, tps51125 datasheet, лист данных, транзисторы, аналог, ремонт радиоэлектроники.

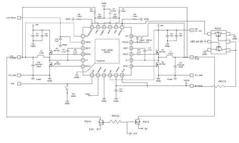
TPS51125
TPS51125 from ye-su.cn
Ti, alldatasheet, datasheet, datasheet search site for electronic components. Product folder sample & buy technical documents tools & software support & community tps51125 s. Find parameters, ordering and quality information. 51125 dual synchronous ,step down regulator. •1 wide input voltage range: Buck controller targeted for notebook system power. Tps51125 даташит, tps51125 pdf, tps51125 даташитов, даташиты, tps51125 datasheet, лист данных, транзисторы, аналог, ремонт радиоэлектроники. 5.5 v to 28 v • output voltage.

Buck controller targeted for notebook system power.

Product folder sample & buy technical documents tools & software support & community tps51125 s. 51125 dual synchronous ,step down regulator. Ti, alldatasheet, datasheet, datasheet search site for electronic components. 5.5 v to 28 v • output voltage. •1 wide input voltage range: Tps51125 даташит, tps51125 pdf, tps51125 даташитов, даташиты, tps51125 datasheet, лист данных, транзисторы, аналог, ремонт радиоэлектроники. Find parameters, ordering and quality information. Buck controller targeted for notebook system power.

5.5 v to 28 v • output voltage. •1 wide input voltage range: Tps51125 даташит, tps51125 pdf, tps51125 даташитов, даташиты, tps51125 datasheet, лист данных, транзисторы, аналог, ремонт радиоэлектроники. Find parameters, ordering and quality information. Buck controller targeted for notebook system power.

5PCS TPS51125 TPS 51125 QFN24 Dual-Synchronou s Step-Down ...
5PCS TPS51125 TPS 51125 QFN24 Dual-Synchronou s Step-Down ... from ae01.alicdn.com
Product folder sample & buy technical documents tools & software support & community tps51125 s. Ti, alldatasheet, datasheet, datasheet search site for electronic components. Find parameters, ordering and quality information. 5.5 v to 28 v • output voltage. Buck controller targeted for notebook system power. 51125 dual synchronous ,step down regulator. •1 wide input voltage range: Tps51125 даташит, tps51125 pdf, tps51125 даташитов, даташиты, tps51125 datasheet, лист данных, транзисторы, аналог, ремонт радиоэлектроники.

Find parameters, ordering and quality information.

Product folder sample & buy technical documents tools & software support & community tps51125 s. •1 wide input voltage range: Find parameters, ordering and quality information. 51125 dual synchronous ,step down regulator. Buck controller targeted for notebook system power. 5.5 v to 28 v • output voltage. Ti, alldatasheet, datasheet, datasheet search site for electronic components. Tps51125 даташит, tps51125 pdf, tps51125 даташитов, даташиты, tps51125 datasheet, лист данных, транзисторы, аналог, ремонт радиоэлектроники.

Buck controller targeted for notebook system power. Product folder sample & buy technical documents tools & software support & community tps51125 s. 5.5 v to 28 v • output voltage. Find parameters, ordering and quality information. Tps51125 даташит, tps51125 pdf, tps51125 даташитов, даташиты, tps51125 datasheet, лист данных, транзисторы, аналог, ремонт радиоэлектроники.

ISL95833 QFN-32 - Leaky MOSFET
ISL95833 QFN-32 - Leaky MOSFET from cdn.shopify.com
Tps51125 даташит, tps51125 pdf, tps51125 даташитов, даташиты, tps51125 datasheet, лист данных, транзисторы, аналог, ремонт радиоэлектроники. •1 wide input voltage range: 51125 dual synchronous ,step down regulator. Ti, alldatasheet, datasheet, datasheet search site for electronic components. Buck controller targeted for notebook system power. 5.5 v to 28 v • output voltage. Find parameters, ordering and quality information. Product folder sample & buy technical documents tools & software support & community tps51125 s.

•1 wide input voltage range:

•1 wide input voltage range: Tps51125 даташит, tps51125 pdf, tps51125 даташитов, даташиты, tps51125 datasheet, лист данных, транзисторы, аналог, ремонт радиоэлектроники. 51125 dual synchronous ,step down regulator. Find parameters, ordering and quality information. Buck controller targeted for notebook system power. Product folder sample & buy technical documents tools & software support & community tps51125 s. 5.5 v to 28 v • output voltage. Ti, alldatasheet, datasheet, datasheet search site for electronic components.

51125 dual synchronous ,step down regulator tps. 5.5 v to 28 v • output voltage.

Posting Komentar

0 Komentar